Графический каталог запасных частей к технике: ХТЗ Т-150. Сиденья

zoom-in zoom-out enlarge shrink circle-right circle-left file-text2 info cart spinner6
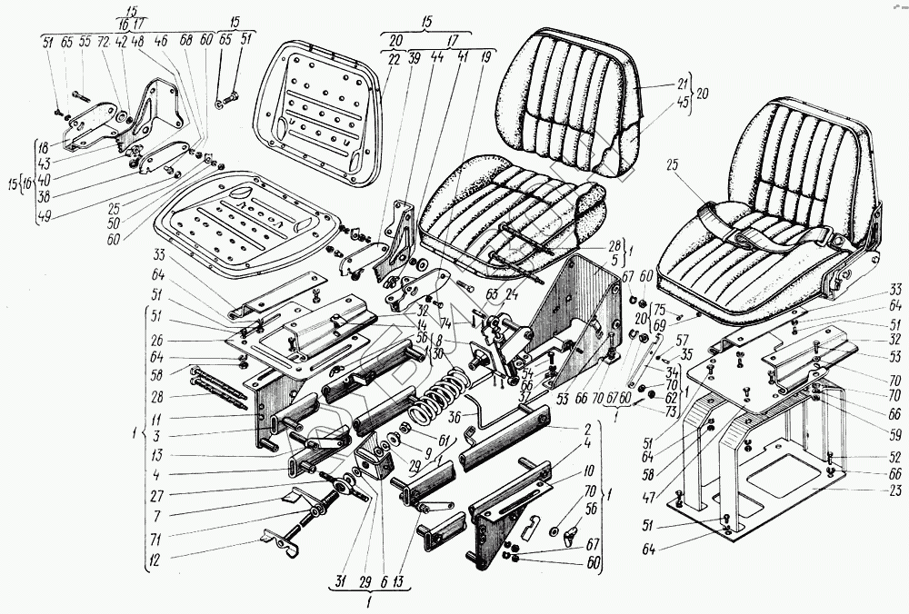
Позиция на иллюстрации Заводской номер детали Название детали Цена
А31.00.000-1-03 А31.00.000-1-03 Сиденье подрессоренное унифицированное
Загрузка ...
150.44.078-13 150.44.078-13 Сиденье пассажира
Загрузка ...
1 А31.00.100-Б-01 Четырехзвенник
Загрузка ...
2 А31.00.120-01 Звено левое
Загрузка ...
3 А31.00.125 Звено правое
Загрузка ...
4 А31.00.130 Звено нижнее в сборе
Загрузка ...
5 А31.00.135-01 Кронштейн
Загрузка ...
6 А31.00.140-01 Вилка
Загрузка ...
7 А31.00.145 Втулка
Загрузка ...
8 А31.00.150 Шайба задняя в сборе
Загрузка ...
9 А31.00.155 Кольцо в сборе
Загрузка ...
10 431.00.160-01 Опора левая
Загрузка ...
11 А31.00.165-01 Опора правая
Загрузка ...
12 А31.00.175 Винт
Загрузка ...
13 А31.00.180 Звено
Загрузка ...
14 А31.00.500 Скоба в сборе
Загрузка ...
15 70-6800010-04 Сиденье
Загрузка ...
15 70-6800010-04 Сиденье
Загрузка ...
16 70-6800015-01 Замок
Загрузка ...
17 70-6800020-01 Замок
Загрузка ...
18 70-6800030-01 Кронштейн
Загрузка ...
19 70-6800040-01 Кронштейн
Загрузка ...
20 70-6803010 Подушка
Загрузка ...
21 70-6803020 Чехол
Загрузка ...
22 70-6803060 Основание
Загрузка ...
23 150.44.080-2 Каркас сиденья
Загрузка ...
24 АС20-075.00.000 Амортизатор
Загрузка ...
25 РБТ21.00.00 Ремень безопасности поясной
Загрузка ...
25 РБТ21.00.00 Ремень безопасности поясной
Загрузка ...
26 А31.00.001-01 Постель
Загрузка ...
27 А31.00.101 Ось фигурная
Загрузка ...
28 А31.00.102 Ось кронштейна
Загрузка ...
29 А31.00.109-01 Упор
Загрузка ...
30 А31.00.110 Пружина
Загрузка ...
31 А31.00.112 Шайба
Загрузка ...
32 А31.00.202-02 Кронштейн
Загрузка ...
32 А31.00.202-02 Кронштейн
Загрузка ...
33 А31.00.203-02 Кронштейн
Загрузка ...
33 А31.00.203-02 Кронштейн
Загрузка ...
34 А31.00.551 Крючок
Загрузка ...
35 А31.00.554 Ручка
Загрузка ...
36 А31.00.603 Ограждение
Загрузка ...
37 А31.00.604 Плайка
Загрузка ...
38 70-6800011 Корпус
Загрузка ...
39 70-6800011-01 Корпус
Загрузка ...
40 70-6800012 Защелка
Загрузка ...
41 70-6600012-01 Защелка
Загрузка ...
42 70-6800013 Втулка
Загрузка ...
42 70-6800013 Втулка
Загрузка ...
43 70-6800014 Кронштейн
Загрузка ...
44 70-6800021 Кронштейн
Загрузка ...
45 70-6803011 Подушка
Загрузка ...
46 70-6804017 Палец
Загрузка ...
46 70-6804017 Палец
Загрузка ...
47 150.44.246-2 Панель сиденья пассажира
Загрузка ...
48 АС35-6105008 Пружина
Загрузка ...
48 АС35-6105008 Пружина
Загрузка ...
49 ИРБ9.00.01 Накладка
Загрузка ...
49 ИРБ9.00.01 Накладка
Загрузка ...
50 РБ5.00.01 Шайба пружинная
Загрузка ...
50 РБ5.00.01 Шайба пружинная
Загрузка ...
165 Шайба 10 65Г 05 ГОСТ 6402-70 Шайба 10 65Г 05 ГОСТ 6402-70
Загрузка ...
Содержащиеся в справочниках-каталогах запасные части и детали не предлагаются к продаже, а носят исключительно информационный характер
Сайт использует файлы cookie, обрабатываемые вашим браузером. Подробнее об этом вы можете узнать в Политике cookie.
Принять Настроить Отклонить