ЗАПАСНЫЕ ЧАСТИ К ПРИСПОСОБЛЕНИЯМ ДЛЯ УБОРКИ ПОДСОЛНЕЧНИКА, КУКУРУЗЫ, РАПСА, СОИ
ЗАПАСНЫЕ ЧАСТИ К КОСИЛКАМ, ГРАБЛЯМ-ВАЛКООБРАЗОВАТЕЛЯМ, СТОГОМЕТАТЕЛЯМ И ПОГРУЗЧИКАМ
РЕМНАБОРЫ РТИ, КОЛЬЦА УПЛОТНИТЕЛЬНЫЕ
МЕТИЗЫ (БОЛТОКРЕПЕЖ, ХОМУТЫ, ШПОНКИ)
| Позиция на иллюстрации | Заводской номер детали | Название детали | Цена | |
|---|---|---|---|---|
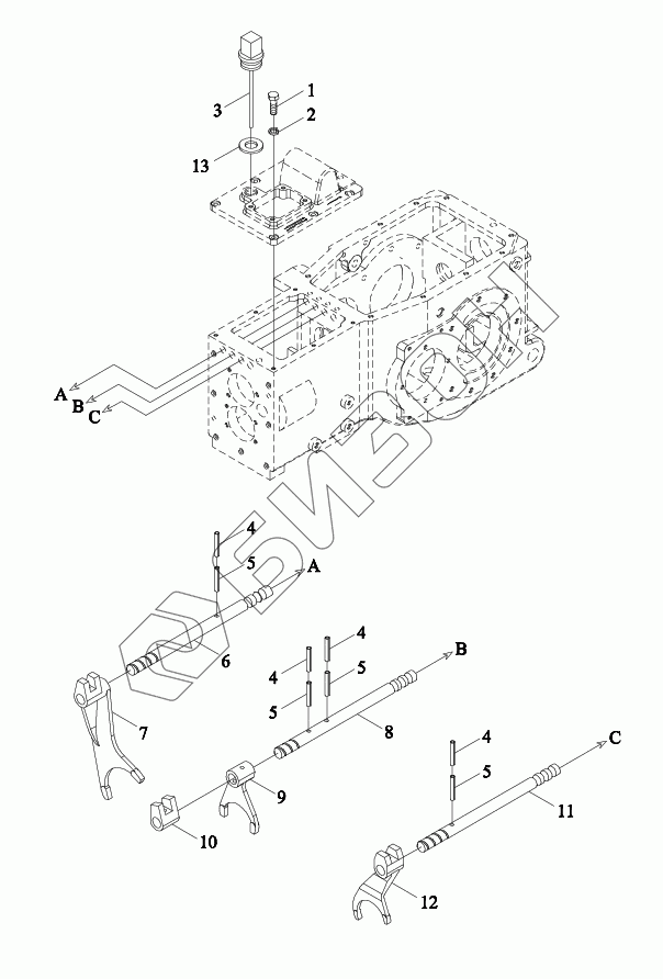
| TE250.373B | TE250.373B | Механизм управления коробкой передач в сборе |
Загрузка ...
|
|
| 1 | GBT5783-M8X30-8.8-A2L | Болт с шестигранной головкой |
Загрузка ...
|
|
| 2 | GBT93-8-A3L | Гровер |
Загрузка ...
|
|
| 3 | FT250.37.030 | Маслоизмеритель |
Загрузка ...
|
|
| 4 | GBT879.1-5X24 | Штифт цилиндрический эластичный |
Загрузка ...
|
|
| 5 | GBT879.1-3X24 | Штифт цилиндрический эластичный |
Загрузка ...
|
|
| 6 | TE300.373-04 | Ось вилки переключения |
Загрузка ...
|
|
| 7 | FT250.37.145 | Вилка переключения |
Загрузка ...
|
|
| 8 | TE250.373B-02 | Вал |
Загрузка ...
|
|
| 9 | TE250.373B-01 | Вилка отводная |
Загрузка ...
|
|
| 10 | FT250.37.142 | Наконечник переключения |
Загрузка ...
|
|
| 11 | FT250.37.186 | Вал |
Загрузка ...
|
|
| 12 | FT250.37.131 | Вилка переключения |
Загрузка ...
|
|
| 13 | JBT982-27 | Шайба комбинированная уплотнительная |
Загрузка ...
|
Узнавайте первыми!
о новинках в отрасли, акциях магазина, новостях компании и многом другом!
Нажимая на кнопку “Подписаться”,
Вы соглашаетесь с
условиями обработки персональных данных
Обратный звонок
Оставьте ваши координаты и наш менеджер перезвонит Вам в течение 15 минут в рабочие часы компании.
Нажимая на кнопку “Заказать звонок”,
Вы соглашаетесь с условиями обработки персональных данных
Закажите услугу
Опишите, пожалуйста, ваш заказ на услугу или просто заполните контактную информацию и наши эскперты помогут решить вашу проблему!
Нажимая на кнопку “Отправить сообщение”,
Вы соглашаетесь с
условиями обработки персональных данных
Обратная связь
Нужен совет, как выбрать товар или использовать его? Не нашли нужную информацию на сайте? Напишите — наши эксперты помогут Вам!
Нажимая на кнопку “Отправить сообщение”,
Вы соглашаетесь с
условиями обработки персональных данных
Войти на сайт
Нет аккаунта? Зарегистрируйтесь на сайте
Регистрация