 
              | Позиция на иллюстрации | Заводской номер детали | Название детали | Цена | |
|---|---|---|---|---|
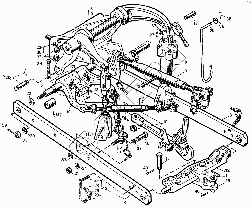
| 1 | Т25-2805130 | Шкворень | 
                  
                  Загрузка ...
                 | |
| 2 | Т25-4628050-УФ1 | Тяга центральная | 
                  
                  Загрузка ...
                 | |
| 3 | Т25-4628110-У | Тяга правая | 
                  
                  Загрузка ...
                 | |
| 4 | Т25-4628120-У | Тяга левая | 
                  
                  Загрузка ...
                 | |
| 5 | Т25-4628130-У1 | Раскос | 
                  
                  Загрузка ...
                 | |
| 6 | Т25-4628220-У1 | Тяга блокировки | 
                  
                  Загрузка ...
                 | |
| 7 | Т25-4628220-У1-01 | Тяга блокировки | 
                  
                  Загрузка ...
                 | |
| 8 | Т40М1-4628550-01 | Кронштейн с рычагами | 
                  
                  Загрузка ...
                 | |
| 9 | Т40М1-4628550-03 | Кронштейн с рычагами | 
                  
                  Загрузка ...
                 | |
| 10 | Т25-4632010-А1-01 | Крюк тяговый | 
                  
                  Загрузка ...
                 | |
| 11 | 15.62С02-Б | Раскос | 
                  
                  Загрузка ...
                 | |
| 12 | 15.62С06-А-01 | Поперечина | 
                  
                  Загрузка ...
                 | |
| 13 | 15.62С15-А2 | Чека | 
                  
                  Загрузка ...
                 | |
| 14 | Т25-2805092-Г | Серьга | 
                  
                  Загрузка ...
                 | |
| 15 | Т25-4628138-У | Палец | 
                  
                  Загрузка ...
                 | |
| 16 | Т25-2805094-Б-01 | Палец | 
                  
                  Загрузка ...
                 | |
| 17 | Т25-4628139-У | Палец | 
                  
                  Загрузка ...
                 | |
| 18 | Т25-4628222-Е | Кронштейн блокировки правый | 
                  
                  Загрузка ...
                 | |
| 19 | Т25-4628223 | Кронштейн блокировки левый | 
                  
                  Загрузка ...
                 | |
| 20 | Т25-4628351 | Шайба | 
                  
                  Загрузка ...
                 | |
| 21 | Т40-4628354-01 | Ось продольных тяг | 
                  
                  Загрузка ...
                 | |
| 22 | Т25-4628356-А-01 | Втулка продольных тяг | 
                  
                  Загрузка ...
                 | |
| 23 | Т25-4628518 | Болт | 
                  
                  Загрузка ...
                 | |
| 24 | Т25-4628539-А1 | Болт упорный | 
                  
                  Загрузка ...
                 | |
| 25 | Т40М1-4628579 | Захват | 
                  
                  Загрузка ...
                 | |
| 26 | А61.05.001 | Кольцо | 
                  
                  Загрузка ...
                 | |
| 27 | А61.07.001 | Шплинт | 
                  
                  Загрузка ...
                 | |
| 28 | 15-62082-Б1 | Чека | 
                  
                  Загрузка ...
                 | |
| 29 | 15-62086-А | Цепочка | 
                  
                  Загрузка ...
                 | |
| 30 | М16-6Н.6.019 | Гайка | 
                  
                  Загрузка ...
                 | |
| 31 | М20-6Н.6.019 | Гайка | 
                  
                  Загрузка ...
                 | |
| 32 | М20х1.5-6Н.6.019 | Гайка | 
                  
                  Загрузка ...
                 | |
| 33 | М20-6Н.6.019 | Гайка | 
                  
                  Загрузка ...
                 | |
| 34 | 200Т65Г06 | Шайба | 
                  
                  Загрузка ...
                 | |
| 35 | 27Л65Г06 | Шайба | 
                  
                  Загрузка ...
                 | |
| 36 | А.8.01.20.019 | Шайба | 
                  
                  Загрузка ...
                 | |
| 37 | А.18.02.20.019 | Шайба | 
                  
                  Загрузка ...
                 | |
| 38 | 3,2х18.019 | Шплинт | 
                  
                  Загрузка ...
                 | |
| 39 | 4х40.019 | Шплинт | 
                  
                  Загрузка ...
                 | |
| 40 | 5х45.019 | Шплинт | 
                  
                  Загрузка ...
                 | |
| 41 | 6,3х40.019 | Шплинт | 
                  
                  Загрузка ...
                 | 
Узнавайте первыми!
о новинках в отрасли, акциях магазина, новостях компании и многом другом!
									Нажимая на кнопку “Подписаться”,
									Вы соглашаетесь с
									условиями обработки персональных данных