| Позиция на иллюстрации | Заводской номер детали | Название детали | Цена | |
|---|---|---|---|---|
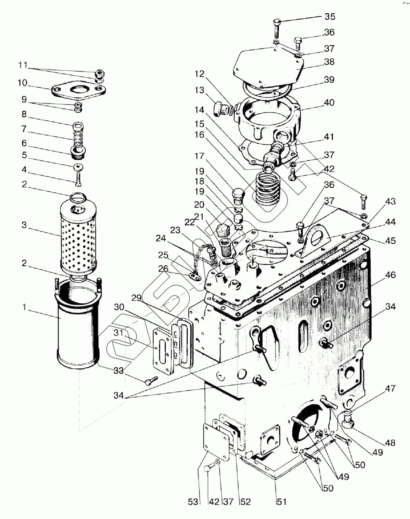
| 85-4608010 | 85-4608010 | Корпус гидросистемы |
Загрузка ...
|
|
| 1 | A28.04.20.000-A1 | Корпус |
Загрузка ...
|
|
| 2 | 042-050-46-2-4 | Кольцо |
Загрузка ...
|
|
| 3 | 4600.30 | Элемент фильтрующий |
Загрузка ...
|
|
| 4 | В.М6-6gх40.58.019 | Винт |
Загрузка ...
|
|
| 5 | A28.04.10.000 | Клапан |
Загрузка ...
|
|
| 5 | 8.20.004 | Клапан |
Загрузка ...
|
|
| 6 | A28.04.10.001 | Корпус клапана |
Загрузка ...
|
|
| 7 | 8.20.002 | Пружина |
Загрузка ...
|
|
| 8 | 8.20.005 | Шайба опорная |
Загрузка ...
|
|
| 9 | М6-6Н.6.019 | Гайка |
Загрузка ...
|
|
| 10 | A28.04.00.001 | Ограничитель |
Загрузка ...
|
|
| 11 | М6-6Н.6.019 | Гайка |
Загрузка ...
|
|
| 12 | 4600.22 | Шайба РМ24 |
Загрузка ...
|
|
| 13 | 85-4608021 | Пробка |
Загрузка ...
|
|
| 14 | 85-4608089 | Прокладка |
Загрузка ...
|
|
| 15 | 85-4607034 | Штуцер |
Загрузка ...
|
|
| 16 | 85-4608057 | Пружина |
Загрузка ...
|
|
| 17 | 50-4608059 | Пробка сапуна |
Загрузка ...
|
|
| 18 | 50-4608063 | Фильтр |
Загрузка ...
|
|
| 19 | 50-4608062 | Шайба сапуна |
Загрузка ...
|
|
| 20 | КГ11/4” | Пробка |
Загрузка ...
|
|
| 21 | A61-C06-A3 | Фильтр |
Загрузка ...
|
|
| 22 | 85-4608091 | Клапан |
Загрузка ...
|
|
| 22 | 85-4608090 | Клапан 85-4608091 в сборе |
Загрузка ...
|
|
| 23 | 50-1002450 | Цепочка |
Загрузка ...
|
|
| 24 | 011-015-25-2-4 | Кольцо |
Загрузка ...
|
|
| 25 | 36-1101067 | Кольцо |
Загрузка ...
|
|
| 26 | 50-3407069 | Чека |
Загрузка ...
|
|
| 29 | 85-4608086-Б | Уплотнитель |
Загрузка ...
|
|
| 30 | 85-4608087-Б | Указатель |
Загрузка ...
|
|
| 31 | 85-4608088-Б | Корпус |
Загрузка ...
|
|
| 33 | М6х20DINEN1665-98 | Болт |
Загрузка ...
|
|
| 34 | М103р/6gх20.66.019 | Шпилька |
Загрузка ...
|
|
| 35 | М8-6gх80.88.35.019 | Болт |
Загрузка ...
|
|
| 36 | М8-6gх25.88.35.019 | Болт |
Загрузка ...
|
|
| 37 | 8Т | Шайба |
Загрузка ...
|
|
| 38 | 85-4608022 | Крышка |
Загрузка ...
|
|
| 39 | 130-135-30-1-4 | Кольцо |
Загрузка ...
|
|
| 40 | 85-4608018 | Стакан |
Загрузка ...
|
|
| 41 | 027-032-30-1-4 | Кольцо |
Загрузка ...
|
|
| 42 | М8-6gх20.88.35.019 | Болт |
Загрузка ...
|
|
| 43 | 85-4608025 | Крышка |
Загрузка ...
|
|
| 44 | 80-4608073 | Кронштейн |
Загрузка ...
|
|
| 45 | 85-4608031-Б | Прокладка |
Загрузка ...
|
|
| 46 | 85-4608016-A | Корпус гидросистемы |
Загрузка ...
|
|
| 47 | 4600.20 | Шайба РМ1/2 |
Загрузка ...
|
|
| 48 | 70-4607163 | Пробка |
Загрузка ...
|
|
| 49 | М103р/6gх35.66.019 | Шпилька |
Загрузка ...
|
|
| 49 | М10-6Н.6.019 | Гайка |
Загрузка ...
|
|
| 50 | М10-6gх40.88.35.019 | Болт |
Загрузка ...
|
|
| 50 | 10.ОТ | Шайба |
Загрузка ...
|
|
| 51 | 50-4608049 | Прокладка |
Загрузка ...
|
|
| 52 | 70-4608033 | Прокладка |
Загрузка ...
|
|
| 53 | 70-4608019 | Крышка |
Загрузка ...
|
Узнавайте первыми!
о новинках в отрасли, акциях магазина, новостях компании и многом другом!
Нажимая на кнопку “Подписаться”,
Вы соглашаетесь с
условиями обработки персональных данных