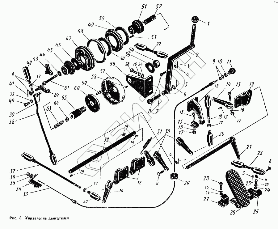
Графический каталог запасных частей к технике: ПТЗ К-700. Управление двигателем

zoom-in zoom-out enlarge shrink circle-right circle-left file-text2 info cart spinner6
1
2
3
3
3
4
4
4
6
6
6
7
8
8
8
9
10
11
12
12
12
13
13
14
14
15
16
16
16
16
16
17
17
17
17
17
18
19
19
19
19
20
20
21
22
22
23
24
24
24
25
26
27
28
28
29
30
31
32
33
34
35
35
36
37
38
39
40
41
42
43
44
45
46
47
48
49
50
50
51
52
53
54
55
56
57
58
59
60
61
62
63
64
65
Позиция на иллюстрации Заводской номер детали Название детали Цена
700.11.08.440 700.11.08.440 Валик в сборе
Загрузка ...
700.11.08.020-1 700.11.08.020-1 Акселератор в сборе
Загрузка ...
700.11.08.000-2 700.11.08.000-2 Управление двигателем
Загрузка ...
700.11.08.250-01 700.11.08.250-01 Тяга в сборе
Загрузка ...
700.11.08.250-04 700.11.08.250-04 Тяга в сборе
Загрузка ...
700.11.08.100 700.11.08.100 Тормозов акселератора в сборе
Загрузка ...
700.11.08.370-1 700.11.08.370-1 Рукоятка акселератора в сборе
Загрузка ...
700.11.08.150 700.11.08.150 Стакан акселератора в сборе
Загрузка ...
700.11.08.330-1 700.11.08.330-1 Валик рычагов в сборе
Загрузка ...
700.11.08.120-1 700.11.08.120-1 Кронштейн акселератора в сборе
Загрузка ...
700.11.08.340 700.11.08.340 Кулиса
Загрузка ...
1 700.17.17.035 Ручка шаровая
Загрузка ...
2 700.11.08.090-2 Рукоятка акселератора
Загрузка ...
3 Шплинт 1,6Х16-00 ГОСТ 397-66 Шплинт 1,6Х16-00 ГОСТ 397-66
Загрузка ...
4 Шайба 6-001 ГОСТ 11371-68 Шайба 6-001 ГОСТ 11371-68
Загрузка ...
6 Шайба 10-001 ГОСТ 11371-68 Шайба 10-001 ГОСТ 11371-68
Загрузка ...
6 Шплинт 2,5Х20-001 ГОСТ 397-66 Шплинт 2,5Х20-001 ГОСТ 397-66
Загрузка ...
7 Ось 2-10Х5Х65-100 ГОСТ 9650-66 Ось 2-10Х5Х65-100 ГОСТ 9650-66
Загрузка ...
8 Ось 2-6Х5Х25-100 ГОСТ 9650-66 Ось 2-6Х5Х25-100 ГОСТ 9650-66
Загрузка ...
9 Шайба 12-001 ГОСТ 11371-68 Шайба 12-001 ГОСТ 11371-68
Загрузка ...
10 Гайка М12Х1,25-011 ГОСТ 5927-62 Гайка М12Х1,25-011 ГОСТ 5927-62
Загрузка ...
11 700.11.08.190-1 Рукоятка
Загрузка ...
12 700.11.08.066 Кронштейн
Загрузка ...
13 Болт М8Х40-021 ГОСТ 7811-52 Болт М8Х40-021 ГОСТ 7811-52
Загрузка ...
14 700.11.08.093-02 Рычаг
Загрузка ...
15 700.11.08.081 Упор
Загрузка ...
16 Шайба пружинная 8Н ГОСТ 6402-61 Шайба пружинная 8Н ГОСТ 6402-61
Загрузка ...
17 Гайка М8-011 ГОСТ 5927-62 Гайка М8-011 ГОСТ 5927-62
Загрузка ...
18 700.11.08.240-01 Тяга в сборе
Загрузка ...
19 Шпонка сегментная 3Х5 ГОСТ 8795-68 Шпонка сегментная 3Х5 ГОСТ 8795-68
Загрузка ...
20 700.11.08.062 Вилка тяги регулирующая
Загрузка ...
21 700.11.08.450 Валик с рычагом
Загрузка ...
22 700.11.08.350 Тяга в сборе
Загрузка ...
23 Болт М8Х16-021 ГОСТ 7808-62 Болт М8Х16-021 ГОСТ 7808- 62
Загрузка ...
24 Шайба 8-001 ГОСТ 6958-68 Шайба 8-001 ГОСТ 6958-68
Загрузка ...
25 700.11.08.012-1 Кронштейн
Загрузка ...
26 700.11.08.470 Педаль с накладкой
Загрузка ...
27 700.11.08.117 Упор
Загрузка ...
28 Болт М8Х25-021 ГОСТ 7808-62 Болт М8Х25-021 ГОСТ 7808-62
Загрузка ...
29 700.11.08.115 Кольцо уплотнительное
Загрузка ...
30 700.11.08.093-01 Рычаг
Загрузка ...
31 700.11.08.099-1 Пружина
Загрузка ...
32 700.11.08.096-1 Валик
Загрузка ...
33 700.11.08.200-2 Привод останова двигателя
Загрузка ...
34 700.11.08.114 Кронштейн
Загрузка ...
35 Шайба пружинная 10Н ГОСТ 1402-61 Шайба пружинная 10Н ГОСТ 1402-61
Загрузка ...
36 Гайка М10-011 ГОСТ 5927-62 Гайка М10-011 ГОСТ 5927-62
Загрузка ...
37 700.11.08.240-03 Тяга в сборе
Загрузка ...
38 700.11.08.410 Тяга в сборе
Загрузка ...
39 Винт М10Х20-001 ГОСТ 1490-62 Винт М10Х20-001 ГОСТ 1490-62
Загрузка ...
40 Болт М10Х18-021 ГОСТ 7803-62 Болт М10Х18-021 ГОСТ 7803-62
Загрузка ...
41 Шплинт 3,2Х20-001 ГОСТ 397-66 Шплинт 3,2Х20-001 ГОСТ 397-66
Загрузка ...
42 700.11.08.097-1 Серьга
Загрузка ...
43 700.11.08.025-1 Серьга
Загрузка ...
44 700.11.08.045 Прокладка
Загрузка ...
45 700.11.08.021 Крышка-колпачок акселератора
Загрузка ...
46 700.11.08.044 Прокладка
Загрузка ...
47 700.11.08.023 Шайба
Загрузка ...
48 Кольцо СТ126-115-4,5 ГОСТ 288-61 Кольцо СТ126-115-4,5 ГОСТ 288-61
Загрузка ...
49 700.11.08.017 Шестерня храповая
Загрузка ...
50 700.11.08.019 Диск акселератора фрикционный
Загрузка ...
51 700.11.08.032 Стакан
Загрузка ...
52 700.11.08.027 Направляющая акселератора
Загрузка ...
53 700.11.08.063 Штифт цилиндрический
Загрузка ...
54 Гайка М27Х2-021 ТОСТ 5929-62 Гайка М27Х2-021 ТОСТ 5929-62
Загрузка ...
55 700.11.08.043 Шайба замковая
Загрузка ...
56 700.11.08.039-1 Кронштейн
Загрузка ...
57 700.11.08.110 Корпус контроллера в сборе
Загрузка ...
58 700.11.08.046 Штифт цилиндрический
Загрузка ...
59 Винт М8Х16-001 ГОСТ 1490-62 Винт М8Х16-001 ГОСТ 1490-62
Загрузка ...
60 700.11.08.026 Крышка тормоза акселератора
Загрузка ...
61 700.11.08.064 Болт
Загрузка ...
62 700.11.08.360 Сектор
Загрузка ...
63 700.11.08.031 Пружина акселератора
Загрузка ...
64 700.11.08.028 Сухарик
Загрузка ...
65 700.11.08.029-1 Палец
Загрузка ...
Содержащиеся в справочниках-каталогах запасные части и детали не предлагаются к продаже, а носят исключительно информационный характер