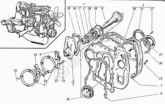
Графический каталог запасных частей к технике: РСМ Дон-1500Б. Картер шестерен

zoom-in zoom-out enlarge shrink circle-right circle-left file-text2 info cart spinner6
2
3
3
4
5
6
7
8
9
10
11
12
13
14
15
16
17
18
19
20
21
23
24
25
26
27
28
Позиция на иллюстрации Заводской номер детали Название детали Цена
1 41-02с2-3 Картер шестерен
Загрузка ...
2 41-02с3 Крышка картера шестерен
Загрузка ...
3 03А-02с4В Привод топливного насоса
Загрузка ...
4 03А-02с10 Пластины
Загрузка ...
5 01-0203 Корпус привода топливного насоса
Загрузка ...
6 01-0204 Прокладка картера
Загрузка ...
7 6Т3-0205 Прокладка крышки
Загрузка ...
8 03А-0206А Валик привода топливного насоса
Загрузка ...
9 03А-0207-02 Фланец
Загрузка ...
10 6Т2-0208 Кольцо маслоотражателя
Загрузка ...
11 41-0209 Шпилька
Загрузка ...
12 03А-0210 Болт
Загрузка ...
13 6Т2-0219 Шайба
Загрузка ...
14 03А-0219В Крестовина
Загрузка ...
15 42-0222-01 Крышка
Загрузка ...
16 41-0223 Колесо зубчатое
Загрузка ...
17 03А-0225 Кольцо стопорное
Загрузка ...
18 03А-0227 Кольцо стопорное
Загрузка ...
19 41-0230 Прокладка
Загрузка ...
20 01-0232 Прокладка
Загрузка ...
21 03А-0235 Болт
Загрузка ...
22 41-0237 Пробка коническая
Загрузка ...
23 01М-0253 Шайба
Загрузка ...
24 16-245 Гайка М10х1
Загрузка ...
25 2.2-75х100-1,8752 Манжета
Загрузка ...
26 1.2-25х42-1,8752 Манжета
Загрузка ...
27 205.8338 Подшипник
Загрузка ...
28 209.8338 Подшипник
Загрузка ...
Содержащиеся в справочниках-каталогах запасные части и детали не предлагаются к продаже, а носят исключительно информационный характер