Графический каталог запасных частей к технике: ВгТЗ ДТ-75Н. Картер

zoom-in zoom-out enlarge shrink circle-right circle-left file-text2 info cart spinner6
12.65Г
12.65Г
2.2-75х100-1
1.2-60х85-1
1.3Ц6
1.3Ц6
1.3Ц6
20-21С2
20-21С2
312
46118
СМД9-2117
14-2129А
14-21С10-1
8.65Г
8.65Г
СМД9-2116
14.65Г
14.65Г
12х2.04
СМД1-2157
14-21.48
М12(Т03/6g)х35
4х6.5
6х13
14-2125-1
14-2124-2А
М14.6Н
М12.6gх35
М14.6gх40
14А-2103-1
СМД1-2172
СМД14-2106-1
14-2115
14-2118
45 9553 1055
М12.6Н
М8.6gх16
14-21С27
14-21С27
14-21С27
СМД14-21С5А
СМД14-21С5А
СМД14-2101
17К-2133
20-2104
СМД14-2132-1
15К-21С26
СМД14-2134-1
СМД7-2102
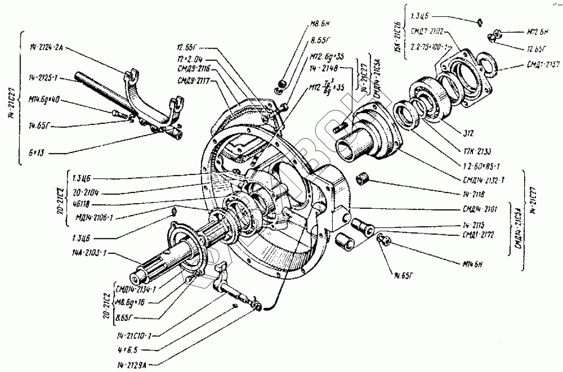
Позиция на иллюстрации Заводской номер детали Название детали Цена
12.65Г 12.65Г Шайба ГОСТ 6402-70
Загрузка ...
2.2-75х100-1 2.2-75х100-1 Манжета
Загрузка ...
1.2-60х85-1 1.2-60х85-1 Манжета
Загрузка ...
1.3Ц6 1.3Ц6 Масленка
Загрузка ...
20-21С2 20-21С2 Муфта выключения
Загрузка ...
312 312 Подшипник
Загрузка ...
46118 46118 Подшипник
Загрузка ...
СМД9-2117 СМД9-2117 Прокладка
Загрузка ...
14-2129А 14-2129А пружина рычага
Загрузка ...
14-21С10-1 14-21С10-1 Рычаг
Загрузка ...
8.65Г 8.65Г Шайба ГОСТ 6402-70
Загрузка ...
СМД9-2116 СМД9-2116 Крышка смотрового окна
Загрузка ...
14.65Г 14.65Г Шайба
Загрузка ...
12х2.04 12х2.04 Шайба
Загрузка ...
СМД1-2157 СМД1-2157 Шайба замковая
Загрузка ...
14-21.48 14-21.48 Шпилька
Загрузка ...
М12(Т03/6g)х35 М12(Т03/6g)х35 Шпилька
Загрузка ...
4х6.5 4х6.5 Шпонка сегментная
Загрузка ...
6х13 6х13 Шпонка сегментная
Загрузка ...
14-2125-1 14-2125-1 Валик вилки
Загрузка ...
14-2124-2А 14-2124-2А Вилка выключения
Загрузка ...
М14.6Н М14.6Н Гайка ГОСТ 5915-70
Загрузка ...
М12.6gх35 М12.6gх35 Болт
Загрузка ...
М14.6gх40 М14.6gх40 Болт
Загрузка ...
14А-2103-1 14А-2103-1 Вал сцепления
Загрузка ...
СМД1-2172 СМД1-2172 Втулка валика
Загрузка ...
СМД14-2106-1 СМД14-2106-1 Втулка муфты выключения
Загрузка ...
14-2115 14-2115 Втулка оси
Загрузка ...
14-2118 14-2118 Втулка резьбовая
Загрузка ...
45 9553 1055 45 9553 1055 Гайка М8-6Н
Загрузка ...
М12.6Н М12.6Н Гайка
Загрузка ...
М8.6gх16 М8.6gх16 Болт
Загрузка ...
14-21С27 14-21С27 Картер муфты сцепления
Загрузка ...
СМД14-21С5А СМД14-21С5А Картер муфты сцепления
Загрузка ...
СМД14-2101 СМД14-2101 Картер муфты сцепления
Загрузка ...
17К-2133 17К-2133 Кольцо
Загрузка ...
20-2104 20-2104 Корпус муфты выключения
Загрузка ...
СМД14-2132-1 СМД14-2132-1 Корпус подшипника
Загрузка ...
15К-21С26 15К-21С26 Корпус сальника
Загрузка ...
СМД14-2134-1 СМД14-2134-1 Крышка
Загрузка ...
СМД7-2102 СМД7-2102 Крышка сальника
Загрузка ...
Содержащиеся в справочниках-каталогах запасные части и детали не предлагаются к продаже, а носят исключительно информационный характер
Сайт использует файлы cookie, обрабатываемые вашим браузером. Подробнее об этом вы можете узнать в Политике cookie.
Принять Настроить Отклонить