Графический каталог запасных частей к технике: ЮМЗ-6Л. Пусковой двигатель

zoom-in zoom-out enlarge shrink circle-right circle-left file-text2 info cart spinner6
1
2
2
3
4
5
6
7
8
9
10
11
12
12
13
14
15
16
17
18
19
19
19
19
19
20
21
22
22
23
24
25
26
27
28
29
30
31
32
33
34
34
34
35
36
37
38
39
40
40
41
42
42
42
42
42
43
44
45
46
47
47
48
48
48
49
49
50
51
52
53
54
55
56
57
57
58
59
60
61
62
63
64
65
66
Позиция на иллюстрации Заводской номер детали Название детали Цена
Д65-24-С53-А Д65-24-С53-А Воздухоочиститель пускового двигателя
Загрузка ...
Д65-24-С53 СБ Д65-24-С53 СБ Воздухоочиститель в сборе
Загрузка ...
75.24.С08-А СБ 75.24.С08-А СБ Цилиндр в сборе
Загрузка ...
75.24.С08-А СБ 75.24.С08-А СБ Цилиндр в сборе
Загрузка ...
Д65-24-С16-А Д65-24-С16-А Трубопровод охлаждения
Загрузка ...
Д65-24-С16-А Д65-24-С16-А Трубопровод охлаждения
Загрузка ...
Д65-1015540 СБ Д65-1015540 СБ Трубопровод газоотводной в сборе
Загрузка ...
Д65-1015540 Д65-1015540 Трубопровод газоотводной в сборе
Загрузка ...
Д65-24С45 Д65-24С45 Рычаг воздушной заслонки
Загрузка ...
75.24.104-3Г 75.24.104-3Г Маховик
Загрузка ...
75.24.014.1 СБ 75.24.014.1 СБ Картер в сборе
Загрузка ...
75.24.014-3 75.24.014-3 Картер пускового двигателя
Загрузка ...
75.24.015 75.24.015 Втулка сальника в сборе
Загрузка ...
75.24.015. СБ 75.24.015. СБ Втулка сальника в сборе
Загрузка ...
Д65-1015510 Д65-1015510 Двигатель пусковой ПД-10У в сборе
Загрузка ...
Д65-24-С01-4 Д65-24-С01-4 Двигатель пусковой ПД-10У в сборе
Загрузка ...
Д65-24-С03-А СБ Д65-24-С03-А СБ Двигатель пусковой ПД-10У в сборе
Загрузка ...
Д65-24-С01-4 Д65-24-С01-4 Двигатель пусковой ПД-10У в сборе
Загрузка ...
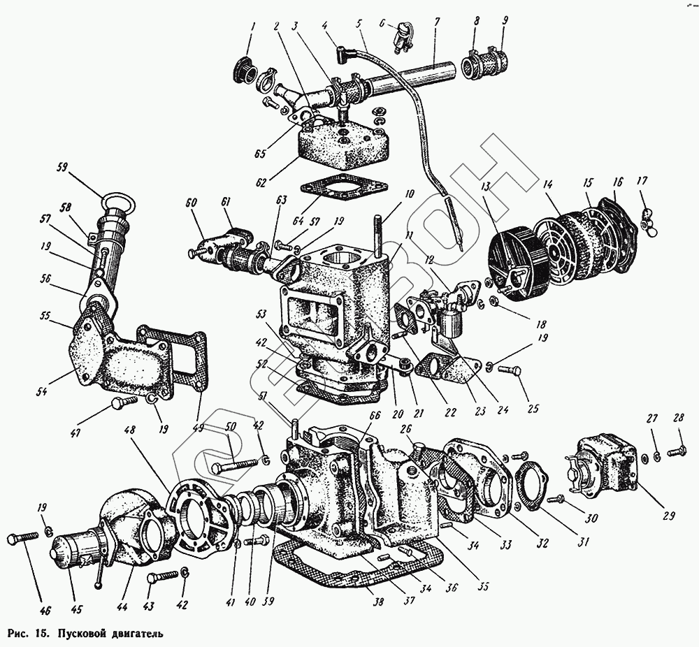
1 Д65-24-212 Заглушка
Загрузка ...
2 Д24-093 Прокладка фланца
Загрузка ...
2 Д24-093 Прокладка фланца
Загрузка ...
3 Г-СН200-3707010 Свеча А11-У запальная
Загрузка ...
4 54.24.445-Б Наконечник изоляционный
Загрузка ...
5 Д24-079 Провод высокого напряжения
Загрузка ...
6 Д24-С09-Б Краник заливной в сборе
Загрузка ...
7 Д24-065 Труба водоотводная
Загрузка ...
8 Д24-С15 СБ Хомут
Загрузка ...
9 Д24-063-А Шланг патрубка
Загрузка ...
10 Д24-081 Шпилька
Загрузка ...
11 Д24-029-1 Цилиндр пускового двигателя
Загрузка ...
12 К16-1107000 Карбюратор в сборе
Загрузка ...
12 К06-1107000-БГ Карбюратор в сборе
Загрузка ...
13 Д65-24-219-А Корпус
Загрузка ...
14 Д65-24-216 Элемент фильтрующий
Загрузка ...
15 Д65-24-217 Обойма
Загрузка ...
16 Д65-24-215-А Крышка
Загрузка ...
17 Гайка М6 Гайка М6
Загрузка ...
18 Гайка М8 Гайка М8
Загрузка ...
19 Шайба 8 Шайба 8
Загрузка ...
19 Шайба 8 Шайба 8
Загрузка ...
19 Шайба 8 Шайба 8
Загрузка ...
20 Д24-122-А Планка крепления провода
Загрузка ...
21 36-3723024-Б Втулка провода
Загрузка ...
22 ШПЧ-М8Х22 Шпилька
Загрузка ...
22 Шпилька БМ8Х22 Шпилька БМ8Х22
Загрузка ...
23 Д24-205 Заглушка
Загрузка ...
24 Д24-С40 Щиток в сборе
Загрузка ...
25 Болт М8Х16 Болт М8Х16
Загрузка ...
26 Пробка КГ 1/4" Пробка КГ 1/4"
Загрузка ...
27 Шайба 6 Шайба 6
Загрузка ...
28 Д24-102 Болт крепления магнето
Загрузка ...
29 М124Б1-3728000-Г Магнето правого вращения одноискровое
Загрузка ...
30 Болт М8Х35 Болт М8Х35
Загрузка ...
31 Д24-074 Прокладка магнето
Загрузка ...
32 Д24-072-А1 Плита промежуточная
Загрузка ...
33 Д24-073-М1 Прокладка
Загрузка ...
34 Штифт 8С3Х22 Штифт 8С3Х22
Загрузка ...
34 Штифт 8С3Х22 Штифт 8С3Х22
Загрузка ...
35 Картер пускового двигателя, передняя пол Картер пускового двигателя, передняя половина
Загрузка ...
36 Пробка КГ 1/8" Пробка КГ 1/8"
Загрузка ...
37 75.24.102-1Д24-001-Г Картер пускового двигателя, задняя половина
Загрузка ...
38 Д24-149 Прокладка картера
Загрузка ...
39 75.24.105 Втулка сальника
Загрузка ...
40 1-30-52-1 Манжета
Загрузка ...
40 1-30-52-1 Манжета
Загрузка ...
41 Д24-С26 Сальник войлочный в сборе
Загрузка ...
42 Шайба 10 Шайба 10
Загрузка ...
42 Шайба 10 Шайба 10
Загрузка ...
42 Шайба 10 Шайба 10
Загрузка ...
43 Болт М10Х28 Болт М10Х28
Загрузка ...
44 75.24.С32-А СБ Кожух маховика в сборе
Загрузка ...
45 СТ362(СТ352-Д) Стартер
Загрузка ...
46 Болт М8Х65 Болт М8Х65
Загрузка ...
47 Болт М8Х25 Болт М8Х25
Загрузка ...
47 Болт М8Х25 Болт М8Х25
Загрузка ...
48 Болт М10Х28 Болт М10Х28
Загрузка ...
48 75.24.109-4 Плита кожуха
Загрузка ...
48 75.24.109-4-1 Плита кожуха маховика
Загрузка ...
49 Д24-051 Прокладка
Загрузка ...
49 Д24-051 Прокладка
Загрузка ...
50 Болт М10Х60 Болт М10Х60
Загрузка ...
51 Шпилька М10Х2 Шпилька М10Х2
Загрузка ...
52 Д24-146 Прокладка цилиндра
Загрузка ...
53 Гайка М10 Гайка М10
Загрузка ...
54 Д65-24-050 Патрубок газоотводной трубы
Загрузка ...
55 Д24-056 Прокладка фланца
Загрузка ...
56 36-1015530-В1 Труба газоотводная в сборе
Загрузка ...
57 Болт М8Х20 Болт М8Х20
Загрузка ...
58 Д48-24-С01 СБ Хомут
Загрузка ...
59 Д24-055-А Уплотнение
Загрузка ...
60 Д24-061-М Патрубок водяной
Загрузка ...
61 Д24-064-А Прокладка фланца
Загрузка ...
62 Д24-033-А Головка цилиндра
Загрузка ...
63 Д24-101-М Патрубок водоподводной
Загрузка ...
64 Д24-С18-А Прокладка головки цилиндра в сборе
Загрузка ...
65 Д65-24-092 Патрубок водоотводной
Загрузка ...
66 Д24-145-А Прокладка картера
Загрузка ...
Содержащиеся в справочниках-каталогах запасные части и детали не предлагаются к продаже, а носят исключительно информационный характер