Графический каталог запасных частей к технике: ПТЗ К-700. Фильтр турбокомпрессора

zoom-in zoom-out enlarge shrink circle-right circle-left file-text2 info cart spinner6
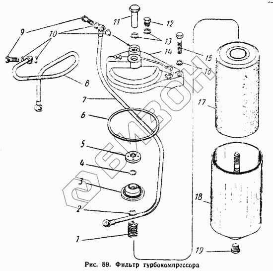
1
2
3
4
5
6
7
8
9
10
11
12
13
14
15
16
17
18
19
Позиция на иллюстрации Заводской номер детали Название детали Цена
315466-П29С 315466-П29С Кляммер крепления трубки
Загрузка ...
201-1015624 201-1015624 Прокладка пробки
Загрузка ...
236-1104336 236-1104336 Прокладка трубки
Загрузка ...
238НБ-1017010 238НБ-1017010 Фильтр тонкой очистки масла в сборе
Загрузка ...
238НБ-1017045 238НБ-1017045 Чашка фильтра тонкой очистки масла в сборе уплотнительная
Загрузка ...
312326-П 312326-П Шайба
Загрузка ...
238НБ-1017159-Б 238НБ-1017159-Б Штуцер крепления подводной трубки к блоку
Загрузка ...
310096-П2 310096-П2 Болт крепления трубки
Загрузка ...
1 201-1117030 Пружина фильтра тонкой очистки масла
Загрузка ...
2 238НБ-1017069 Кольцо чашки фильтра тонкой очистки масла уплотнительное
Загрузка ...
3 238НБ-1017056 Чашка фильтра тонкой очистки масла уплотнительная
Загрузка ...
4 238НБ-1017071 Кольцо пружинное фильтра тонкой очистки масла
Загрузка ...
5 238НБ-1017063 Фиксатор элемента фильтра тонкой очистки масла
Загрузка ...
6 238НБ-1017116 Прокладка крышки фильтра тонкой очистки масла
Загрузка ...
7 238НБ-1017140-Б Трубка подвода масла к фильтру турбокомпрессора в сборе
Загрузка ...
8 238НБ-1017146-А Трубка подвода масла от фильтра к турбокомпрессору в сборе
Загрузка ...
9 310096-П2 Болт крепления трубки
Загрузка ...
10 312326-П Шайба
Загрузка ...
11 238НБ-1017110-Б Болт крышки фильтра тонкой очистки масла
Загрузка ...
12 201-1117124 Пробка крышки
Загрузка ...
13 201-1015624 Прокладка пробки
Загрузка ...
14 238НБ-1017108-Б Крышка фильтра тонкой очистки масла
Загрузка ...
15 201505-П29 Болт крепления фильтра
Загрузка ...
16 252156-П2 Шайба пружинная
Загрузка ...
17 240-1017040 Элемент фильтрующий фильтра тонкой очистки масла в сборе
Загрузка ...
18 238НБ-1017015 Корпус фильтра тонкой очистки масла в сборе
Загрузка ...
19 316121-П29 Пробка коническая
Загрузка ...
Содержащиеся в справочниках-каталогах запасные части и детали не предлагаются к продаже, а носят исключительно информационный характер