Графический каталог запасных частей к технике: ЮМЗ-6КЛ, (6КМ). Двигатель пусковой

zoom-in zoom-out enlarge shrink circle-right circle-left file-text2 info cart spinner6
1
2
2
3
4
5
6
7
7
8
9
19
22
23
24
25
26
27
28
29
31
32
33
37
38
38
43
44
45
50
51
52
53
54
55
56
57
58
59
60
61
63
64
65
66
67
68
69
70
71
72
73
74
74
75
76
77
78
79
80
81
82
83
83
84
84
85
86
87
87
88
88
88
88
88
89
89
89
90
92
93
94
94
95
96
98
Позиция на иллюстрации Заводской номер детали Название детали Цена
Д24-С21-Б Д24-С21-Б Шатун
Загрузка ...
350.01.040.00 350.01.040.00 Цилиндр
Загрузка ...
Д65-24-С16-А Д65-24-С16-А Трубопровод охлаждения
Загрузка ...
Д65-1015540 Д65-1015540 Трубопровод газоотводной в сборе
Загрузка ...
36-1015530-В1 36-1015530-В1 Труба газоотводная в сборе
Загрузка ...
Д24-С06-А Д24-С06-А Поршень в сборе
Загрузка ...
Д24-С32 Д24-С32 Поршень со стопорный кольцом
Загрузка ...
Д65-24-219-А Д65-24-219-А Корпус
Загрузка ...
75.24.014-1 75.24.014-1 Картер
Загрузка ...
Д65-24-С01-5 Д65-24-С01-5 Двигатель П-10УД
Загрузка ...
350.01.080.00 350.01.080.00 Головка цилиндра
Загрузка ...
75.24.015 75.24.015 Втулка сальника в сборе
Загрузка ...
Д65-24-053-А Д65-24-053-А Воздухоочиститель
Загрузка ...
Д24-С20-Б Д24-С20-Б Вал коленчатый
Загрузка ...
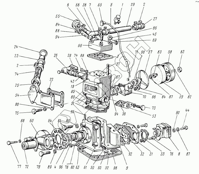
1 Д65-24-С10 Краник
Загрузка ...
2 Д24-С15-А Хомут
Загрузка ...
3 Д24-С18-А Прокладка головки цилиндра в сборе
Загрузка ...
4 Д24-С26 Сальник войлочный в сборе
Загрузка ...
5 Д24-079 Провод высокого напряжения
Загрузка ...
6 Д48-24-С01-А Хомут
Загрузка ...
7 СН200-3707010 Свеча зажигания
Загрузка ...
7 СН433-3707000-04 Свеча зажигания
Загрузка ...
8 М124-Б1 Магнето
Загрузка ...
9 Д24-001-Г Картер (передняя половина)
Загрузка ...
19 Д24-029-1 Цилиндр пускового двигателя
Загрузка ...
22 Д24-051 Прокладка
Загрузка ...
23 Д24-054-Б Тарелка сальника
Загрузка ...
24 Д24-055-А Уплотнение
Загрузка ...
25 Д24-056 Прокладка фланца
Загрузка ...
26 Д24-061-М1 Патрубок
Загрузка ...
27 Д24-063-А Шланг патрубка
Загрузка ...
28 Д24-064-А Прокладка фланца
Загрузка ...
29 Д24-065 Труба водоотводная
Загрузка ...
31 Д24-072-М Плита
Загрузка ...
32 Д24-073-М1 Прокладка
Загрузка ...
33 Д24-074 Прокладка магнето
Загрузка ...
37 Д24-081 Шпилька
Загрузка ...
38 Д24-093 Прокладка фланца
Загрузка ...
43 Д24-101-М1 Патрубок
Загрузка ...
44 Д24-102 Болт крепления магнето
Загрузка ...
45 Д24-122-А Планка крепления провода
Загрузка ...
50 Д24-145 Прокладка
Загрузка ...
51 Д24-146 Прокладка цилиндра
Загрузка ...
52 Д24-149 Прокладка картера
Загрузка ...
53 Д24-205 Заглушка
Загрузка ...
54 Д65-24-050-А Патрубок
Загрузка ...
55 Д65-24-212 Заглушка
Загрузка ...
56 Д65-24-213-А Патрубок
Загрузка ...
57 Д65-24-214-А Корпус
Загрузка ...
58 Д65-24-215-А Крышка
Загрузка ...
59 Д65-24-216-А Элемент фильтрующий
Загрузка ...
60 75.24.032-А Кожух маховика
Загрузка ...
61 75.24.102-1 Картер (задняя половина)
Загрузка ...
63 75.24.105 Втулка сальника
Загрузка ...
64 75.24.109-4-1 Плита кожуха маховика
Загрузка ...
65 ПД8-3707692 Наконечник
Загрузка ...
66 350.01.004.00 Головка цилиндра
Загрузка ...
67 350.01.018.00 Прокладка
Загрузка ...
68 350.01.019.10 Прокладка
Загрузка ...
69 36-3723024-Б Втулка провода
Загрузка ...
70 11-1107011 Карбюратор
Загрузка ...
71 119-74-А Пробка
Загрузка ...
72 СТ-362 Стартер
Загрузка ...
73 М8х16.7796 Болт
Загрузка ...
74 М8х20.7796 Болт
Загрузка ...
75 М8х25.7796 Болт
Загрузка ...
76 М8х35.7795 Болт
Загрузка ...
77 М8х65.7795 Болт
Загрузка ...
78 М10х22.7796 Болт
Загрузка ...
79 М10х25.7796 Болт
Загрузка ...
80 М10х30 Болт
Загрузка ...
81 М10х60.7795 Болт
Загрузка ...
82 М6х55.22042 Шпилька
Загрузка ...
83 М6.5915 Гайка
Загрузка ...
84 М8.5915 Гайка
Загрузка ...
85 М10х1.2524 Гайка
Загрузка ...
86 М10х1.1552 Гайка
Загрузка ...
87 6.65Г Шайба
Загрузка ...
88 8.65Г Шайба
Загрузка ...
89 10.65Г Шайба
Загрузка ...
90 6.02 Шайба
Загрузка ...
92 8С3х22 Штифт
Загрузка ...
93 10С3Х22 Штифт
Загрузка ...
94 М8х(То/1,25)х20 Шпилька
Загрузка ...
95 М10х(1,5То/1,0)х22 Шпилька
Загрузка ...
96 1.1-30х52-2 Манжета
Загрузка ...
98 КГ1/8"А12.013 Пробка
Загрузка ...
Содержащиеся в справочниках-каталогах запасные части и детали не предлагаются к продаже, а носят исключительно информационный характер
Сайт использует файлы cookie, обрабатываемые вашим браузером. Подробнее об этом вы можете узнать в Политике cookie.
Принять Настроить Отклонить